Loading...
Din webbläsare stöds ej. För bästa upplevelsen rekommenderas en nyare version eller en annan webbläsare.
Javascript är inaktiverat!
Utan Javascript aktiverat i din webbläsare blir användbarheten begränsad och inga köp kan genomföras.
Produkter
Sök
Varukorg
Logga in
Logga in
Användarnamn
*
Lösenord
*
Kom ihåg mig
Glömt ditt lösenord?
Skriv in din e-postadress så skickar vi ditt lösenord till dig.
E-postadress
*
Meny
Meny
Start
Nyheter
Företagsnyheter
Pressreleaser
Produktnyheter
Kundtjänst
Fakturaärenden
Kontoansökan
Företag
Produktfråga
Information
Produktregistrering
Retur / Reklamation
Försäljning & Allmänna villkor
Allmänna villkor
Dataskyddspolicy
Finansiering via Siemens Finans
Kvalité & Miljöpolicy
Kom igång!
Betalning
För nya kunder
Komplett pdf-guide
Leverans
Mitt konto
Så handlar du
Säkerhet & Cookies
Söktips
Personuppgifter
Behandling av personuppgifter
Integritetspolicy
Kamerabevakning
Om Cookies
Våra Garantier
Flex-garanti
Service
Vad är Service Center?
Med Garanti
Utan Garanti
Underhålls- & Servicetips
Betongslipar
Giraffslipar
Överbelastning av verktyg
Spåra serviceärende
Kataloger
Hållbarhet
Om oss / Jobba hos oss
Hämta Kontaktkort
Säljare EGO
Säljare Flex
Jobba hos oss
Om Flex Scandinavia AB
Personal
Administration & Kvalité
Försäljning Flex
Inköp, Produkt & IT
Lager & Service
Ledning
Marknad
Återförsäljare
Demoträffar
Samarbeten
Swebreach
Robert Rejholt / Aves Bilverkstad
Våra engagemang
Stäng
Sök
Produkter
Start
/
Huvud
/
Reservdelar/Sprängski.
/
-L
/
L3309FR
L3309 FR
Stäng
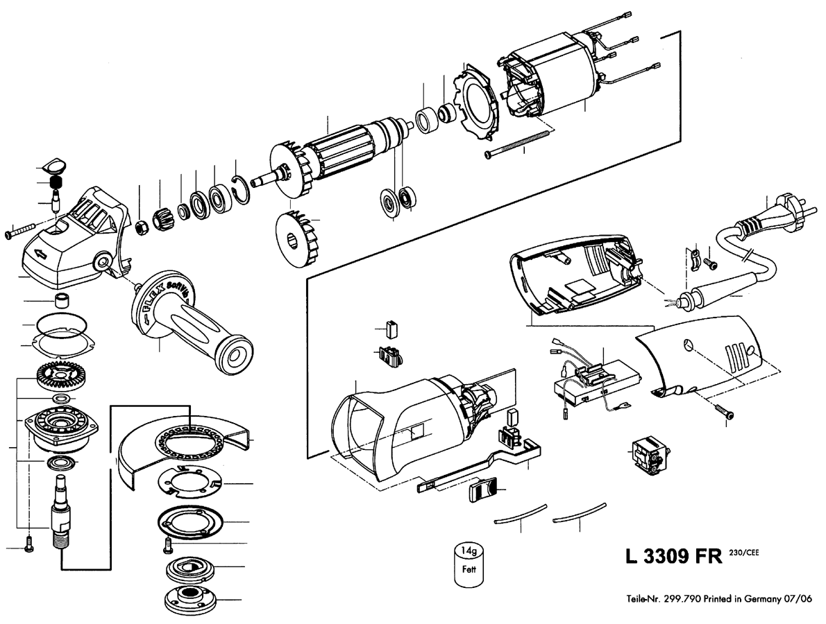
OBS! För muspekaren över respektive artikel för att se artikelnr och benämning.
Klicka på artikeln för mer info och möjlighet att lägga den i kundkorgen.
Filtrera & sortera
Antal artiklar 46
Antal artiklar
46
Sortera
Sortera
Artikelkod
Benämning
Artikelkod
Benämning
Gruppering 1
Gruppering 2
Spec-fält 3
294640
Arbetsaxel Monterad
285137
Bricka
DIN125
B6,4
293873
Brytare med kondensator
294403
Brytarstång
285242
Bussning
294462
Dammskydd
257571
Distansring
292931
Elektronik
296015
Fjäder
283754
Fläkt
297305
Handtag
530903
Sidohandtag
297046
Kabel
314404
Kabelförstärkare
294756
Kabelklamma
399647
Kol K96
K96
6 x 8 x 15,9 mm
500496
Kolhållare
254442
Kullager
254443
Kullager
291722
Lagerring
293210
Luftstyrning
294799
Låsknapp
111384
Låsring
DIN471
10 x 1 mm
294454
Låsskiva
219983
Magnetring
292850
Motorhus
284289
Mutter
534344
Navbricka Övre
M14
268011
Nilosring
159271
Nållager
159204
O-Ring
292842
Påslagsknapp
296880
Rotor
195715
Skruv 4x12mm
4 x 12 mm
206245
Skruv 4x20mm
4 x 20 mm
195693
Skruv 4x30mm
4 x 30 mm
196169
Skruv 4x55mm
4 x 55 mm
295795
Skruv 5x12mm
5,0 x 12 mm
306479
Skyddshölje
294977
Sprint
294438
Sprängskydd 125mm
191612
Spännbricka Liten
328006
Stator
291714
Tätning
256157
Tätning
289590
Växelhus
Kol K54
264598
Diamantslipskiva Hive #100 125mm
100.272
Diamantslipskiva Hive #50 125mm
100.271
Anslutningshylsa
406716
Produkten har lagts i din varukorg
Visa varukorgen
Till kassan