Loading...
Din webbläsare stöds ej. För bästa upplevelsen rekommenderas en nyare version eller en annan webbläsare.
Javascript är inaktiverat!
Utan Javascript aktiverat i din webbläsare blir användbarheten begränsad och inga köp kan genomföras.
Produkter
Sök
Varukorg
Logga in
Logga in
Användarnamn
*
Lösenord
*
Kom ihåg mig
Glömt ditt lösenord?
Skriv in din e-postadress så skickar vi ditt lösenord till dig.
E-postadress
*
Meny
Meny
Start
Nyheter
Företagsnyheter
Pressreleaser
Produktnyheter
Kundtjänst
Fakturaärenden
Kontoansökan
Företag
Produktfråga
Information
Produktregistrering
Retur / Reklamation
Försäljning & Allmänna villkor
Allmänna villkor
Dataskyddspolicy
Finansiering via Siemens Finans
Kvalité & Miljöpolicy
Kom igång!
Betalning
För nya kunder
Komplett pdf-guide
Leverans
Mitt konto
Så handlar du
Säkerhet & Cookies
Söktips
Personuppgifter
Behandling av personuppgifter
Integritetspolicy
Kamerabevakning
Om Cookies
Våra Garantier
Flex-garanti
Service
Vad är Service Center?
Med Garanti
Utan Garanti
Underhålls- & Servicetips
Betongslipar
Giraffslipar
Överbelastning av verktyg
Spåra serviceärende
Kataloger
Hållbarhet
Om oss / Jobba hos oss
Hämta Kontaktkort
Säljare EGO
Säljare Flex
Jobba hos oss
Om Flex Scandinavia AB
Personal
Administration & Kvalité
Försäljning Flex
Inköp, Produkt & IT
Lager & Service
Ledning
Marknad
Återförsäljare
Demoträffar
Samarbeten
Swebreach
Robert Rejholt / Aves Bilverkstad
Våra engagemang
Stäng
Sök
Produkter
Start
/
Huvud
/
Reservdelar/Sprängski.
/
-L
/
L800
L800
Stäng
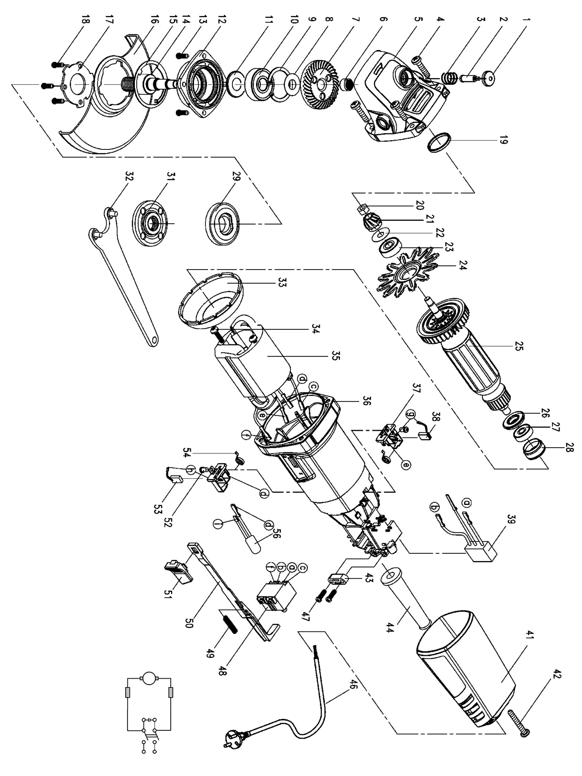
OBS! För muspekaren över respektive artikel för att se artikelnr och benämning.
Klicka på artikeln för mer info och möjlighet att lägga den i kundkorgen.
Filtrera & sortera
Antal artiklar 49
Antal artiklar
49
Sortera
Sortera
Artikelkod
Benämning
Artikelkod
Benämning
Gruppering 1
Gruppering 2
Spec-fält 3
336505
Bricka
336602
Bricka
440558
Brytare
336793
Brytarknapp
336785
Brytarstång
336572
Dammtätning
336777
Tryckfjäder
336858
Fjäder
336467
Fjäder Spindellås
336580
Gummiring
336734
Hölje
297046
Kabel
336750
Kabelförstärkare
336742
Kabelklamma
100110
Klonyckel
336440
Knapp Spindellås
336807
Kol
L3709
336718
Kolhållare
336726
Kondensator
336491
Drev
336610
Kullager
254443
Kullager
119482
Kullager
336548
Lagerlock
336629
Lagerplåt
336653
Lagerring
336661
Luftstyrning
336513
Låsring
336696
Motorhus
443476
Mutter
534344
Navbricka Övre
M14
336483
Nållager
336599
Rotordrev
SLUT
Utgången artikel utan ersättare
Visa
331430
Skruv M4x10mm
M4 x 10 mm
908939
Skruv 5x25mm
5 x 25 mm
SKD2902VV
336831
Skruv 2.9x8mm
2,9 x 8 mm
L 3709
336823
Skruv 4.2x60mm
4,2 x 60 mm
L 3709
435511
Skruv
CHE 4-32 SDS plus
331457
Skruv M4x12mm
M4 x 12 mm
336556
Arbetsaxel
336459
Sprint Spindellås
335266
Sprängskydd 125mm
335282
Spännbricka
336688
Stator
336955
Störningsskydd
336521
Tätningsring
336645
Tätningsring
336475
Växelhus
Kol K96
399647
Kullager
254442
Magnetring
219983
Kolset LD16-8 (2st)
502073
Produkten har lagts i din varukorg
Visa varukorgen
Till kassan